Ассортимент продукции
Специализация бренда – продажа дверной фурнитуры для межкомнатных и входных дверей, замки, скобяные изделия.
Работаем с юридическими лицами и физическими лицами.
On-line продажа дверной фурнитуры для межкомнатных и входных дверей, замки, скобяных изделий недорого в интернет-магазине NORA-M-YKT. Выгодные цены. Доставка по городу Якутску 200 руб. При заказе на сумму свыше 2000 руб. доставка БЕСПЛАТНО. 

Уроки по Joomla 3 можно найти здесь: http://joomla3x.ru/

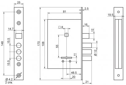
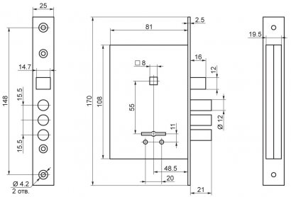
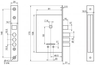
Замок врезной Просам ЗВ9-6/13 (77316)

Замок врезной 6-сувальдный с защелкой и фалевыми ручками. Предназначен для установки в двери толщиной 40-50 мм. Замок универсальный, возможна установка как в правые, так и в левые двери.

 

Технические характеристики:

Тип замка - врезной

Количество сувальд - 6

Количество комбинаций - 120 000

Вылет ригелей - 21 мм

Диаметр ригелей - 11 мм

Длина ключа - 85 мм

Количество ключей - 3 шт.

Цена: 1200.00 RUB
Количество: